Equipped for Solutions
Bakker Flow Services is the full-service partner for the Geothermal, Oil & Gas and Process Industry sectors.
From design to implementation, we apply our solution-oriented expertise – fully integrated or via the one-stop-shop approach.
We provide market-oriented and safe services and products in the following categories:
Our dedication to innovation ensures that our offerings consistently meet the evolving demands of the market.





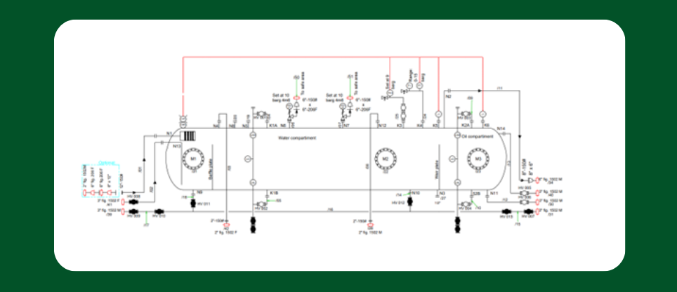
When performing a , sampling is also an important part of gaining insight into the well’s performance.
During the clean-up period and flow after flow test our technicians are taking readings & samples and analyze same as per client program, such as;
✅ BS&W’s (basic, sediment of water) Ph, chlorides, sand particles
✅ Sampling H2o & Oil (condensate) taken Sg (specific gravity) pH, chlorides & temperatures
✅ Gas Sg taken on Co2 & H2s & benzene
During this stage Bakker Flow Services can then analyze if a specific well is cleaning up as by criteria.
After the flow after flow test, we can then hand over the well to our client with all relevant information they need in their further stage.

Looking for an effective noise protection solution for your project? In Germany, we recently installed 340 meters of our modular sound barrier. In the video below, you can see how our mobile soundwall system is assembled on-site.
Thanks to our acoustic solution, residents nearby are not disturbed by ongoing construction work behind the mobile soundwall. With up to 20 dB noise reduction, our noise barrier ensures a quieter and more comfortable environment.
✅ Noise reduction: Up to 20 dB (A) for reliable and effective noise control.
✅ Impressive height: Standing 10 meters tall for maximum coverage.
✅ Wind resistance: Resistant to Wind Force 12.
✅ Modular flexibility: A fully adaptable system for different project types and environments.
Our mobile noise barriers are the ideal choice for any situation where the environment needs to be shielded from noise pollution, such as in energy production, construction projects and industrial sites where noise protection is essential.
Looking for the best acoustic protection solution for your project? Our specialists are ready to advise you on the ideal soundwall system for your specific needs.

We proudly look back on a successful geothermal project, which involved a cleanout operation for one of our valued customers, EBN.
As part of the SCAN team (Seismische Campagne Aardwarmte Nederland), we were involved in a geothermal testing of a well in the Netherlands.
SCAN is a national program made possible by the Ministry of Climate Policy and Green Growth and executed by EBN and TNO , aimed at mapping the Dutch subsurface to accelerate geothermal energy development — a crucial step towards a more sustainable future.
Are you working on geothermal energy? Our team is ready to support your project with customized solutions and effective services.
Elevate your projects with Bakker Flow Services, the partner for high-quality products and services in the geothermal, oil & gas and process industry sector.
Sign up for our newsletter now.
© Bakker Flow Services 2025